Untitled Document
Untitled Document
  新闻动态
  企业文化
  招贤纳士

可编程控制器
编程软件PowerPro
CPU模块
数字量扩展模块
模拟量扩展模块
专用扩展功能模块
附件
订货信息
PowerPro V4.0编程软件
CPU模块

数字量

模拟量
通信接口模块
特殊功能模块
背板
运动控制
分布式控制系统

 
  • 数字量扩展模块

  •  LM3221 16通道晶体管输出模块
     
       
    • 输出通道:16通道
    • 输出额定负载电压:24V DC
         

    输出特性

    输出通道

    16通道

    输出类型

    晶体管

    输出电压

    24V DC

    允许范围

    20.4V DC~28.8V DC

    晶体管导通压降

    <0.5V(输出逻辑“1”,电流为1A时)

    逻辑1的最大输出电流

    1A

    逻辑0的最大漏电流

    1mA

    公共端输出电流总和

    <4A

    浪涌电流

    <8A,100mS

    接通状态阻抗(接触阻抗)

    <0.2Ω

    内置保护

    每组带可恢复熔断器,8A,25℃

    响应时间

    状态“0”到“1”

    <1mS

    状态“1”到“0”

    <1mS

    隔离组

    4组

    隔离方式

    光电隔离

    隔离耐压

    1000VDC

    物理特性

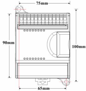
    尺寸规格(L*W*H)

    75mm(L)×90mm(W)×70mm(H)

    重量

    170g

    功率消耗

    +24VDC (扩展总线提供)

    0mA

    +24VDC (外部提供)

    根据实际负载计算

    +5VDC (扩展总线提供)

    180mA

    工作温度

    0℃~+55℃

    存储温度

    -40℃~+70℃

    相对湿度

    5%~95%,不凝结

    通道指示灯状态(绿)

    含义

    ON(亮)

    对应通道导通

    OFF(灭)

    对应通道截止


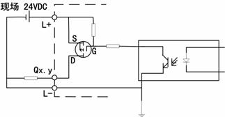
    • 端子定义与接线说明



    图1 LM3221模块端子定义与接线图

    说明:

    1.模块的端子标记规则统一为从上往下、从左往右递增;
    2.图1中输出通道(DO)的1L+和1L-分别接外接负载时负载的24VDC驱动电源正负端,同样2L+、2L-、3L+、3L-、4L+、4L-分别接另一路(或同一路)24VDC的正负端;
    3.“ * ”表示此通道不接线或无实际物理连接。

    • 等效电路




    LM3221
    输出通道(DO)等效电路图

    • 尺寸图

    北京和利时系统工程股份有限公司
    北京和利时系统工程股份有限公司
    在线联系  杭州和利时自动化有限公司PLC事业部

    北京和利时大厦PLC服务中心
    地址:北京市海淀区西三旗建材城中路10号(100096)
    电话:010-67888705/67885029
    传真:67880141

    杭州和利时大厦PLC服务中心
    地址:杭州市下沙经济技术开发区19号路北1号(310018)
    电话:0571-81633793 手机:13758190986
    传真:0571-81633700

    服务及支持

    和利时公司网站:http://www.hollysys.com
    技术服务信箱:plc@hollysys.com
    技术服务电话:010-67886832

    销售业务信箱:wangwei1551@hollysys.com
    销售业务热线:010-67888705

    分支机构联系方式

    广州
    电话:020-38743571 手机:13825011785

    石家庄
    电话:0311-88971172 83018732 手机:13903112221

    济南
    电话:0531-82357140  手机:13698623690

    青岛
    电话:0532-85882687  手机:13864859138

    沈阳
    电话:024-23269262 手机:13840278408

    天津
    手机:13911892460

    西安
    电话:029-82091190 手机:13991358013

    温州
    手机:13676710638

    武汉
    电话:027-85449155 手机:15927516119
    无锡
    手机:13915715077