LM3108 24通道数字量输入/16通道数字量输出CPU模块
 |
 |
 |
- 额定工作电压:DC24V
- 自带40点I/O
- 提供24通道DC24V输入/16通道晶体管输出处理
- 程序存储空间:
120KB
- 中断输入:4点
- 可连接扩展模块数量:7个
|
| |
  |
|
|
|
|
|
CPU特性 |
本机I/O |
24通道24V DC输入;
16通道晶体管输出 |
可连接扩展模块数量 |
7个 |
高速计数器 |
单相计数器:3点,100KHz;
两相计数器:2点,100KHz |
高速输出 |
2点20KHz |
中断输入 |
4点 |
脉冲捕捉 |
4点 |
模拟电位器 |
2个,数值设定范围:0~255 |
用户程序存储空间 |
120K字节 |
掉电保持区 |
6K字节 |
密码保护 |
有 |
实时时钟 |
内置 |
定时器 |
不限点(1ms为最小单位) |
计数器 |
不限点(最大计数范围:16位) |
基本指令 |
340条 |
G3指令 |
47条 |
运算速度 |
0.37μs(布尔量运算指令) |
|
|
电源规格 |
电源电压 |
24VDC |
允许范围 |
20.4VDC~28.8 VDC |
电流消耗(MAX) |
1500mA |
输出电压 |
24V DC |
允许范围 |
22.8V DC~25.2V DC |
对外输出电流 |
+24VDC(提供扩展总线) |
400mA |
+24V DC(对外提供) |
400mA |
+5V DC(提供扩展总线) |
1500mA |
短路保护 |
900mA,24VDC输出 |
|
|
通讯特性 |
通讯接口 |
2个(RS232和RS485)(不隔离) |
通讯协议 |
专有协议/MODBUS/自由协议 |
|
|
输入特性 |
输入类型 |
漏型/源型 |
输入电压额定值 |
24V DC |
允许范围 |
0V DC~30V DC |
逻辑1信号 |
15~30V DC允许最小电流3mA |
逻辑0信号 |
0~5V DC允许最大电流1mA |
输入延迟时间 |
<0.6ms(额定输入电压) |
隔离方式 |
光电隔离 |
隔离组 |
3组 |
隔离耐压 |
1000VDC |
|
 |
输出特性 |
输出通道 |
4通道 |
| 输出类型 |
晶体管 |
输出电压 |
24VDC |
输出电压范围 |
20.4VDC~28.8VDC |
晶体管导通压降 |
<0.5V(输出逻辑“1”,电流为1A时) |
接通状态阻抗 |
<0.2Ω |
逻辑“1” 单点输出最大电流 |
1A |
逻辑“0” 最大漏电流 |
1mA |
公共端输出电流总和 |
<4A |
隔离方式 |
光电隔离 |
隔离组 |
2组 |
隔离耐压 |
1000VDC |
响应时间
(状态“0”到“1”或“1”到“0”) |
普通输出 <1ms, 高速脉冲输出<10us |
|
 |
物理特性 |
尺寸规格(L*W*H) |
200mm(L)×90mm(W)×70mm(H) |
重量 |
470g |
工作温度 |
0℃~+55℃ |
存储温度 |
-40℃~+70℃ |
相对湿度 |
5%~95%(无凝结) |
|
|
|



图1 LM3108模块端子定义与接线图
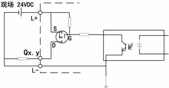
图2 LM3108高速输出与电机接线示例1(Q1.1接法相同)


图3 LM3108高速输出与电机接线示例2(Q1.1接法相同)
|
LM3108模块用直流24V供电,上排端子为输出通道(DO),下排端子为输入通道(DI)。图1是一种典型的现场接线示例,为CPU模块供电的外接输入电源24VDC和保护地接到上排端子的右侧(橙色端子),模块对外提供的输出电源24VDC从下排端子的右侧接出。图2、图3
分别是高速输出端子与电机接线的两种示意图。图中外接1.6KΩ电阻值适用于电机驱动额定电流为十几毫安时的情况。由于图2 接线方式抗干扰能力强,推荐选用此接线方式。图3接线方式与普通输出接线方式相同,适用于对精度要求不高的场合。
说明:
1 模块的端子标记规则统一为从上往下、从左往右递增;
2 图1中输入通道(DI)的1M、2M、3M端子为外接DI的公共端,用户可以选择将M端接到24VDC传感器电源的正端或者是负端,以适应源型/漏型的DI;
3 图1中输出通道(DO)的1L+和1L-分别接外接负载时负载的24VDC驱动电源正负端,同样2L+和2L-分别接另一路(或同一路)24VDC的正负端;
4 上排端子右侧的VI+和VI-分别接给模块供电的24VDC的正负端, 表示保护地;
5 下排端子右侧的VO+、VO-分别为CPU模块外供24VDC电源的正负接线端子;
6 “*”表示此通道不接线或无实际物理连接。 |

上排端子 |
端子说明 |
下排端子 |
端子说明 |
1L- |
负载驱动电源GND |
1M |
外接输入公共端 |
1L+ |
负载驱动电源+24VDC |
I0.0 |
普通输入/高速计数输入端 |
Q0.0 |
普通输出端 |
I0.1 |
普通输入/高速计数输入控制端 |
Q0.1 |
普通输出端 |
I0.2 |
普通输入/高速计数输入端 |
Q0.2 |
普通输出端 |
I0.3 |
普通输入/高速计数输入控制端 |
Q0.3 |
普通输出或高速脉冲输出端 |
I0.4 |
普通输入端 |
Q0.4 |
普通输出端 |
I0.5 |
普通输入端 |
Q0.5 |
普通输出端 |
I0.6 |
普通输入/高速计数输入端/外部中断输入端/脉冲捕捉输入端 |
Q0.6 |
普通输出端 |
I0.7 |
普通输入/外部中断输入端
/脉冲捕捉输入端 |
Q0.7 |
普通输出端 |
2M |
外接输入公共端 |
* |
(不接线) |
I1.0 |
普通输入/外部中断输入端
/脉冲捕捉输入端 |
2L- |
负载驱动电源GND |
I1.1 |
普通输入端 |
2L+ |
负载驱动电源+24VDC |
I1.2 |
普通输入端 |
Q1.0 |
普通输出端 |
I1.3 |
普通输入端 |
Q1.1 |
普通输出或高速脉冲输出端 |
I1.4 |
普通输入端 |
Q1.2 |
普通输出端 |
I1.5 |
普通输入端 |
Q1.3 |
普通输出端 |
I1.6 |
普通输入端 |
Q1.4 |
普通输出端 |
I1.7 |
普通输入端 |
Q1.5 |
普通输出端 |
3M |
外接输入公共端 |
Q1.6 |
普通输出端 |
I2.0 |
普通输入端 |
Q1.7 |
普通输出端 |
I2.1 |
普通输入端 |
* |
(不接线) |
I2.2 |
普通输入端 |

|
保护地 |
I2.3 |
普通输入端 |
VI- |
24VDC电源负端 |
I2.4 |
普通输入端 |
VI+ |
24VDC电源正端 |
I2.5 |
普通输入端 |
|
|
I2.6 |
普通输入端 |
|
|
I2.7 |
普通输入端 |
|
|
VO- |
外供24VDC负端 |
|
|
VO+ |
外供24VDC正端 |
|
|
|
|
|