|
|
|
| 众为兴 触摸式运动控制器ADT-TP094 |
|
| 2004-1-14 11:27:00 深圳市众为兴数控技术有限公司 供稿 |
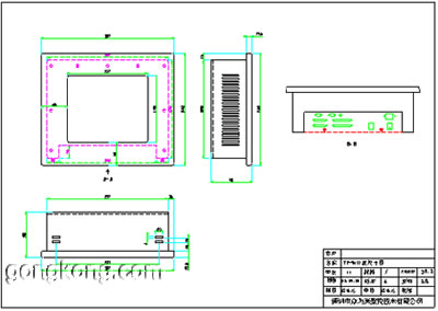
 一、特征 ·586级工业电脑 ·ADT-834/836高性能运动控制卡 ·9.4寸彩色液晶屏显示 ·640 x 480分辨率 ·四线电阻式触摸屏 ·4/6轴运动控制 ·32路/48路数字输入 ·32路数字输出 二、应用案例 焊接机、喷漆机、点胶机、切割机 三、系统框图  四、功能描述 ·工控机 电子盘容量:8M -144M 586级工业电脑 ·控制卡 ADT-834/833(可选) ADT-836(可选) ·显示 9.4寸彩色液晶显示, 640 x 480分辨率 ·触摸屏 四线电阻式触摸屏 ·库函数支持 加减速运动 多轴联动 S形加速 T形加速 连续插补 ·软件编程 DOS:C/C ++语言 Windows:BC++ ·VC++ 4/6路脉冲输出 最高频率:4MHz 脉冲方式:脉冲+方向 脉冲+脉冲 ·I/O通道 → 32路数字输入,光耦隔离 隔离电压:2500VDC 输入电压:5-24VDC 高电平:>4.5V 低电平:<1.0V → 32路数字输出 NPN集电集开路 5-40VDC,最大电流100mA ·通讯口 串口通讯,用于程序下载 五、连接器定义  六、安装尺寸  七、软件选购 1、Eagle 300 : 3轴仿形加工软件, 用于1-3轴的点胶、焊接、喷漆等 2、Eagle 500 : 5轴仿形加工软件, 用于1-5轴的点胶、焊接、切割等 3、客户按需定制的软件 八、订购信息 TP-094: 触摸式运动控制器及其驱动函数和说明手册(含ADT-834卡) 软 件: 根据用户需求而选购 |
|
| 在线联系该厂商: |
| 关于“众为兴 触摸式运动控制器ADT-TP094”,我有如下需求或意向: |
|
|