|
|
|
| 凌华发表新款32 Channel PhotoMOS继电器卡 |
| ~ PCI-7258适用于自动测试设备、检测仪器、电讯及医疗等需高速及高稳定开关的设备用途~ |
| 2002-11-11 12:40:00 ADLINK—凌华科技(中国)有限公司 供稿 |
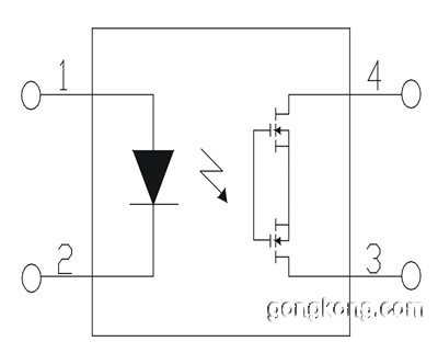
 「工业电脑领导厂商」凌华科技于今日发表新款32 channel PhotoMOS继电器卡(PCI-7258)。采用32 channel单刀单掷式(SPST)的PCI-7258继电器卡可提供最大350VAC或350VDC以及0.12A电流切换,其隔离式I/O设计可保护PCI-7258免于高达1500伏特的外部电压损害。不同于市面上其它机械式继电器卡的开关切换缓慢与产品使用年限短的缺点,PhotoMOS继电器提供使用者快速开关切换与较长的使用年限。 PhotoMOS继电器是由独立的LED输入与MOSFET输出接口组成,当讯号电流通过LED输入接点时,LED会放射出光源传达至另外一端的光感应组件(solar cell),之后光感应组件再将接收到的光源转换成电压导入至输出端的MOSFET闸刀上,当电流达到预设之伏特值后,MOSFET即会接通并开始导电。PhotoMOS继电器的电流简单示意图如图一所示。  PhotoMOS继电器整合了机械式继电器与半导体继电器的优点,MOSFET式继电器不但可强化导电开关接触方式,同时亦可提升继电器于使用期间内之导电开关接触阻抗稳定度;此外,机械式继电器常发生的初始接触跳动问题在PhotoMOS继电器并不会发 生。 除了PhotoMOS继电器具有之功能外,PCI-7258同时提供二个独立的数字Channel,每一个Channel可负荷达2500 Vrms电压隔离并作为计算机中断的触发输入接口,此一功能亦让PCI-7258可藉由外部设备连结或事件(如:警报器)而启动。由于面板上附有LED屏幕,PCI-7258可提供使用者在视觉上对继电器状态之观察更为方便。 因具备以上功能,PCI-7258非常适用于自动测试设备、检测仪器、电讯及医疗等需高速及高稳定开关的设备用途上。 关于凌华 凌华科技致力于量测、自动化及计算机通讯科技之改进及创新,期能提供给全球宽频通讯、网络、智能型交通系统、电力监控、半导体设备客户品质卓越、价格合理之解决方案。凭着对专业技术的执着与实践客户承诺的自我要求,领先业界推出多项创新性产品,获ISO-9001、ISO-14001、台湾精品等多项认证,并为国内工业计算机业界唯一导入6 Sigma并通过国际大厂专业稽核的生产体系。目前在美国、新加坡、中国之北京、上海、深圳设有子公司,为当地客户提供快捷服务和实时支持。 凌华科技集团 地址:北京市海淀区上地创业路8号群英科技园5号楼三层东 电话:010-62962789~95 传真:010-62962796 Email:marketing@adlinkchina.com.cn URL:www.adlinkchina.com.cn 新闻联络人: 纪媛媛,中国区市场部 Email:hattie.ji@adlinkchina.com.cn Tel:010-62962789~95 ext.118 |
|
| 在线联系该厂商: |
| 关于“凌华发表新款32 Channel PhotoMOS继电器卡”,我有如下需求或意向: |
|
|