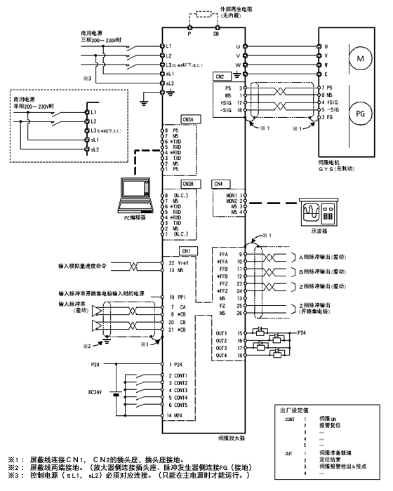
请注意 以上的配线图是机种选定的参考图。
在实际使用中,务必按照「用户手册」的连接图及说明内容接线。
   

上页 本页